伟昌电子科技有限公司
TRN Electronic
Technology
Co.,LTD
PCBA方案选型
行业应用
间距
FFC-FPC
排针排母
代工开发
新闻
下载
主页
FAQ
汽车电子
LED灯
液晶显示器
安防监控
家用电器
工业自动化
医疗设备
数据存储传输
0.5mm
0.6mm
0.8mm
1.0mm
1.2mm
1.25mm
1.5mm
2.0mm
2.5mm
2.54mm
3.0mm
3.81mm
3.96mm
4.2mm
5.0mm
5.08mm
5.7mm
6.35mm
7.92mm
点击了解更多
0.2mm
0.3mm
0.4mm
0.5mm
0.8mm
1.0mm
0.8mm
1.0mm
1.27mm
1.5mm
1.8mm
2.0mm
2.54mm
分享到:
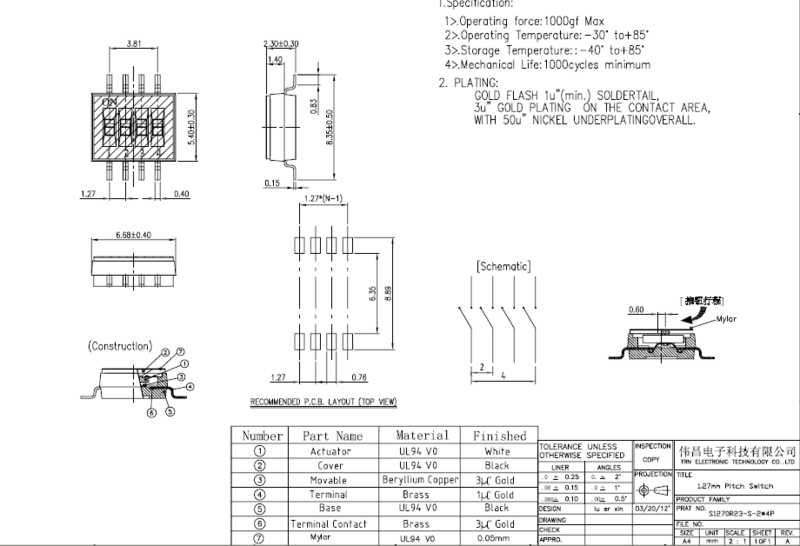
S1270系列开关
间距mm:
1.27
高度mm:
2.3
包装数量(k):
2
最小订购量(k):
2
包装方式:
REEL
上一个:
S34B-PHDSS
下一个:
S5000系列开关
产品详情
在线咨询
工作时间
周一至周五 :8:30-17:30
周六至周日 :9:00-17:00
联系方式
Tel:0769-89783288
Mail:lilyplum@126.com